














Редуктор NMRV050/7.5 ф200ф19 (20410555) 50401.00040
Цепь конвейерная MFB60-0106/00(P3810-1-138L) (69 секций) (A050106B)
Буфер гидравлический 13500090 (ACJ2020)
Прижим эксцентриковый
Вал ведомый (B510410A )
Линейка угловых резов 45° MJ263 (C011200A)
Ролик прижима кромки 07NB6C-01-120 ( B750112A) для FL-4000, 5000
Опора (E010702A)
Сервопривод ZYTD-38SRZ-24V 3000R 6 + редуктор ZGB37REE (20100140)
Ролик поддержки каретки MJK1333C-0302A (E280302B)
Кабель силовой оси X (21921320) 4X1mm2-8M
Кабель преобразователя углового положения оси X (21921330) 4X0.2mm2-8M
Драйвер сервопривода Delta A2 ASD-A2-2023-L 2.0KW 220V 3P (21100070)
Ремень конвейера подачи NB5JG-1400-05 L=15535mm (V023045A) для NB6PG
Труба аспирации MJ1130F-0610
Узел подрезной пилы в сборе с корпусом MJK1333E-0500 (E440501A)
Профиль MJ1132C-0802
Накладка текстолитовая TD-MJK1333CZ-1018 (V052111K)
Маслораспределитель CZA 074-T
Кабель экранированный (51906.00010) (21925343) NPC330
Кабель линии Delta A2 servo CN1 (51906.00009) (21925344) NPC330
Кабель связи (51901.00081) (21900700) NPC330
Кабельканал (igus) 3500.075.125.0 (22501008)
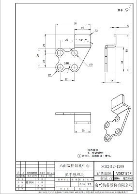
Крепления датчика NCB2412-1208
Стопор NCB2412-0113
Втулка MGK04-0439
Фиксирующая опора кабельканала
Кабель канал NCB612D
Короб монитора MJK1132F1-1405-09C (V052143XQ)
Мотор-редуктор NXTT112-4(TKA87D212M4/102.71/M4/4KW) 380V (20111240) 50401.00051 NB7CS2IIP