














Цепь втулочно-роликовая 08B-1-32L механизма подачи (поз.45) клеевого узла для FL-430
Дроссель пневматический ASC 100-06 0,05-0,95 MPa для FL 430
Звено концевое "внешнее" цепи кабелеукладчика 25х38 для станка FL–4L Plus
Винт поз.163 для FL-91B
Металическая пластина каретки 82110010 для FL-3200L
Пневмораспределитель MVSC-220-4E1 DC24V (30500090)
Узел фрезерный в сборе MFB600в сборе с крепежным основанием, c копироми и двигателями для FL 530
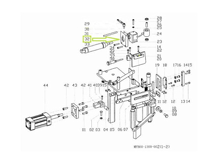
Опорная плита цилиндра A011317A для станка FL-430
Ручка M6x50x25 13205040 для станка FL-430
Ручка M6x50 13205030 для станка FL-430
Ручка (боковая) пульта управления для FL 430
Кабелеукладчик (цепного типа) к FL-1327
Привод механизма подачи (цепь поз.222, звёзд. поз.67,121,140,197,210) для FL-91B
Кабель соединительный пильной каретки для ст. мод. FL-1330 B
Переключатель Telemecanigue ZB2BE 101C 2NO
Редуктор подъема-опускания прижимной балки левый для FL 430 (330,530)
Редуктор подъема-опускания прижимной балки правый для FL 430 (330, 530)
Вал подрезной пилы в сборе для FL-1327
Винт направляющий (0201/01) для ст. мод. FL-8
Подшипник SF-1-1212 для FL
Шток с редуктором горизонтального шпинделя (1+1) для Filato Next
Масло д/вакуум.насосов VM100, 5л, ISO VG 100, оригин. Busch (0831000059)
Эксцентрик (поз.32,31,30) бокового кронштейна для FL-3200
Пластина на транспортёрную ленту (крюк) для станка FL 630 W
Частотный преобразователь VFD022E43A 2.2kw 460V для FL-1330B
Выключатель фотоэлектрический PS-R30N для FL-91B
Стойка крепления в сборе (A011335A + A011336A + A011337A) для FL
Узел основания клеевой ванны (70301150) для FL
Гайка поз.60 для FL-430
Ножевой блок B500632A (поз.31.35.36) для FL-91B