














Лента магнитная 21705010 (для корпуса линейки поз.12) для FL-3200 Maxi
Защита левая подающей цепи (MF60-1416) для FL-430
Фланец прижимной подрезной пилы (поз.312) для FL-3200L
Вал подрезной пилы в сборе для ст. мод. NP-330B
Торцовочная головка левая в сборе для ст. мод. FL-6
Торцовочная головка правая в сборе для ст. мод. FL-6
Трансформатор JBK5-200VA (0-110-220-380-400-415-440V/0-12-24-25.2-26.4V) (20800254)
Преобразователь частотный Delta VFD022EL43A, 2.2kW 380V, 3PHASE для MFB-600
F800206A Короткое прокладочное кольцо 07NZK8-206 для Next
11420030 Стопорная шайба ф8 для Next
11610030 Подшипник 608-ZZ для Next
F800314A Соединительная тяга цилиндра меленького обжима 07NZK8-314 для Next
11420050 Стопорная шайба ф12 для Next
11400069 Плоская шайба ф12xф23x2 для Next
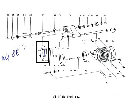
Шарнир(Винт) поз. 26 по спец. MJ1130B-0200-00Z для FL-3200
Левый держатель цикли для станка FL-91B
Правый держатель цикли Поз.14 для станка FL-91B
A010105A Установочный блок MFB60-0105a для FL
Направляющая опорная MFB60-0511 крепления правого двигателя для FL
A010104A Крепление конц. выкл MFB60-0104/01 для FL
A010104B Крепление конц. выкл MFB60-0104/02 для FL
Пластина MFB60-0513 крепления правого двигателя для FL
Контроллер CT6S DC24V (21720010)
Гайка MJ263-1205 для FL3200B
Шайба MJ263-1207 для станка FL-3200B
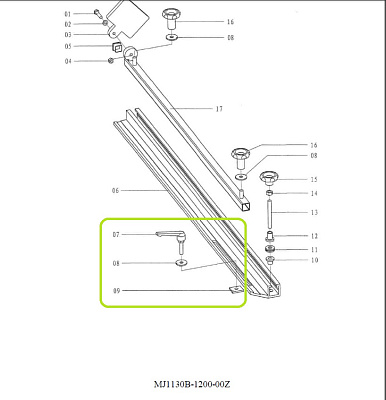
Ручка M10x80x27 поз.7 для станка FL-3200B
Опора поперечной линейки (MJ263-0508) для станка FL-3200
Узел прикатной (поз.96, поз.97, поз.98, поз.99) для станка FL-91
Ручка M6x26x45 для FL-91B
Ручка 13307510 (№16) для FL-3200