














Кронштейн MFB60-0506 для FL530
Шестерня коническая с правым вращением для станка FL-11
Счетчик 0902-4.0-I-20-O-B для станка FL-11
Внутренняя приводная муфта для станка FL-11
Шестерня коническая с левым вращением для станка FL-11
Пневмоцилиндр SDA 50x50 для станка FL-11
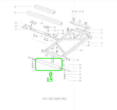
Ролик неприводной №15 на спецификации №MJ1130B-0800-00Z для FL-3200 B(MJ1132В)
Ящик с ЗИП для FL-213
Упор в сборе с рукояткой фиксации для FL-213
Линейка в сборе L = 3м для станка FL-213
Пневмоцилиндр 10Y-2 SD20*10 TS для FL 430 (330, 530)
Контроллер DELTA DVP-24ES 00R2 с программным обеспечением для FL-1327
Реле тепловое Shihlin Electric TH-P12EPP 15A 1a1b (12-18A) для FL-3200 L
Редуктор подъема-опускания прижимной балки (с валом под регулиров. ручку) для FL 430 (330,530)
Подшипник линейный КН2030РР поз.10 по спец.MFB60-0700-00Z (1-3) для FL-430
Пневмоприжим в сборе с кронштейном для FL-4L(MZ7421B)
Счетчик 0902-2.0-I-20-O-B (13402520) для станка FL-6
Ручка пятизвёздочная Поз.21 для станка FL-91B
Ручка настройки цикли Поз.20 для станка FL-91B
Установочный подшипник Поз.19 для станка FL-91B
Штифт установочного подшипника Поз.18 для станка FL-91B
A010121A Направляющая ось (№39) для FL 530
A010120A Правый кронштейн направляющей оси для FL 530
A010119A Левый кронштейн направляющей оси для FL 530
Счётчик CE20
Фитинг PL6-03 для FL-430
Глушитель для станка BSL-03 для FL-430
Ремкомплект (уплотнительные кольца) пневмоцилиндра поз.№74,75,76,77,42 для FL-6
Ролик (B520705A) d=20 мм, D=40 мм, H=125 мм для FL-91B
Вал (поз.79) для станка FL-430